Вътрешен монтаж на смесител за умивалник от Waterrevolution Flow с покритие PVD Light Gold и изпълнение 15см T1161WGE-15

Артикулен номер 1208941789
Вътрешен монтаж на смесител за умивалник от Waterrevolution Flow с покритие PVD Light Gold и изпълнение 15см T1161WGE-15
1.034,93 лв / 529,15 € 1.427,48 лв / 729,86 € вкл. 20% ДДС
Безплатна доставка
Поръчано днес, Доставка след 5-6 седмици
214.000+ доволни клиенти
Безплатна доставка от 300 лв / 153,39 €
Лесно връщане в рамките на 30 дни
Екологично съобразни опции за доставка
Всичко за този продукт
Информация за продукта
Този вътрешен смесител за умивалник от марката Waterevolution е част от серията Flow и представлява превъзходно допълнение към всяка баня. Създаден е с акцент върху елегантният дизайн и функционалността, а златният цвят добавя допълнителен блясък и стил.

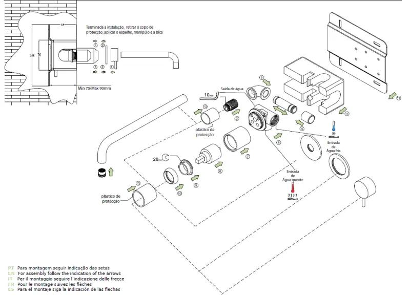
Смесителят е проектиран за вграждане на едно ниво с плота и има два отвора за кран. Той е изработен от висококачествена неръждаема стомана с покритие PVD Light Gold, което гарантира дълготрайна устойчивост и лесна поддръжка.

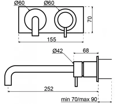
Дължината на чучура е 150мм, а версията на чучура е фиксирана, което го прави идеален за по-големи умивалници. Смесителят е оборудван с керамична глава, която предотвратява протичането на вода и удължава живота на продукта.

В комплекта са включени части за вграждане, както и розетки/капак. Версията е с неподвижно фиксиране на дръжката, което спомага за удобството при използване. Размерът на розетката е 160x80.

Всички части на смесителя са пълноценни и готови за монтаж. Режимът на експлоатация е ръчен, изключително удобен и интуитивен.

Този смесител е идеалният избор за съвременна баня, където елегантният дизайн и функционалността са от съществено значение.
Вграден смесител за мивка Waterevolution Flow с покритие PVD Light Gold и чучур 15cm T1161WGE-15
  • PVD Light Gold
  • Включва вграден елемент
  • Дължина на чучура 150 мм
  • Керамичен вътрешен механизъм
  • Размер на покривната плоча 160x80 мм
  • Дълбочина на вграждане 70мм

Чучура може да бъде доставен в различни дължини.

Спецификации
Марка Waterevolution
Цвят Злато
Дължина на чучура 150мм
Визия Дизайн
Серия Flow
Версия На едно ниво с плота
Брой отвори за кран 2 отвора
Вграден Да
Начин на монтаж На едно ниво с плота
Материал Неръждаема стомана
Вкл. част за вграждане Да
Горна част от керамика Да
Заключващ механизъм Керамична глава
С розетки / капак Да
Дръжка Неподвижно фиксиране
Състав Пълен
Размер на розетката 160x80
Версия на чучура Фиксиран
Режим на експлоатация Ръчен
Покритие PVD
Информация за доставка
Повечето от нашите поръчки се изпращат с различни превозвачи. Понякога използваме други превозвачи за доставяне на специфични поръчки или за облекчаване на натоварването на основните превозвачи, за да спазим обещанията си за доставка.

Очакваното време за доставка винаги се показва на продуктовата страница. Повечето продукти, които имаме на склад, се изпращат същия ден. Вечерта преди доставката ще получите информация за проследяване с времеви прозорец за доставката. Важно е да знаете: шофьорите на нашите избрани превозвачи доставят продуктите до входната врата на партерния етаж.

Също така за по-големи продукти като гранитни мивки, големи чупливи мивки, шкафове и др. ще получите вечерта проследяващ код. Тези продукти не се доставят при съседите и е необходимо подписване при получаване, така че трябва да има някой вкъщи, за да получи продукта. Забележка: тези големи продукти не се доставят в събота!

Ако доставката на голям продукт не успее от първия опит, превозвачът ще се свърже с вас по имейл или SMS, за да ви изпрати график, за да можете да изберете подходящ момент, когато ще бъдете вкъщи.

Допълнителни такси за доставка от €30 до €100 важат за пратки до острови, поради допълнителни логистични разходи като превоз по вода и ограничена достъпност и има допълнителни такси за палетни пратки за превоз на чупливи и по-тежки продукти.

Плюсове и минуси

Според нашия топ специалист

Износоустойчив и устойчив на драскотини горен слой

Цветовете не избледняват бързо
Устойчив на окисление и петна
По-траен от впръскваните цветове

Твърдата вода може да причини петна

Не всеки почистващ препарат е подходящ

Our top specialist

Последно разгледани продукти

Имате ли бизнес?

Получете достъп до ексклузивни B2B предимства!

Заявете своя B2B акаунт
19,56 лв / 10 € Отстъпка
Присъединете се към общността на Loriano за домашни подобрения
Готови ли сте да се свързвате и да получавате ексклузивно съдържание? Нашият бюлетин предлага идеи за стил, ръководства за проекти, ранен достъп до разпродажби и първи поглед към нови продукти. Регистрирайте се сега и получете веднага своя 19,56 лв / 10 € ваучер за добре дошли!

Изберете вашата държава:
Bank transfer Card Apple Pay Google Pay
Loriano.bg | Copyright 2006 - 2025 | Всички права запазени | Бисквитки